产品详情:
高度低、超重力精馏装置主要由超重力床主机、再沸器、冷凝器、泵、储罐、温度表、压力表、阀门以及相应的控制系统等组成。采用模块化设计,集成控制仪、流量计、阀门、管道等组件,现场安装简单快捷。模块可拆分重组,便于运输和场地适配,工厂预制测试减少现场安装步骤。一体化设计简化维护流程,设备运行稳定性高。
超重力精馏优势:
1.体积小,占地面积小;
2.可以减少设备制造和附属设施耗材;
3.操作和维修方便,避免了高空作业;
4.车间溶剂可以就地回收;
5.反应中间产物提纯方便;
6.减少厂内物流量,简化管理模式;
7.可实现分布式的生产和管理模式;
8.传质速率非常高,不易液泛;
9.液速非常高,适于高粘度物料的处理;
10.微观混合程度很大,适于制备纳米粉体材料;
11.持液量很小,适于贵重/有毒物料的处理;
12.气液停留时间极短,适于热敏物系的分离;
13.转子可自清洗,适于含固/结垢物料处理;
14.安装方向随意,抗颠簸,可安装于运动物体;
主要材质:
可采用SS304、SS316L、钛材TA4等。
产性能保证:
对核心零部件叶轮进行强度、刚度、模态、热应力等全面分析,确保转子长期稳定运行。
质量保证:
采用先进加工设备,崇尚认真严谨的品质管理,以确保产出高精度、高品质的产品。
工作原理:
利用混合物中各组分在一定温度下具有不同挥发度的特性,在超重力环境中,液相被撕裂成微米至纳米级的液膜、液丝和液滴,增大气液两相的接触面积和碰撞几率,微观混合和传质过程得到极大强化,传质效率可提高数十倍。
常见溶剂分离:
|
常见溶剂分离
|
母液浓度
|
精馏后浓度
|
|
醇水类(甲醇、乙醇、乙二醇、正丁醇、异丁醇、异丙醇、叔丁醇)等
|
10-80%
|
90-99.9%
|
|
制取无水酒精
|
88-92%
|
99-99.5%
|
|
DMSO(DMF)水类
|
70-90%
|
>99.9%
|
|
汽提脱溶剂
|
12%
|
<0.1%
|
|
醇酯酸烃类(乙酸乙酯、二氯甲烷、丙酮、甲苯、硅醚等)
|
20-90%
|
92-99.5%
|
|
多组分分离(二氯甲烷、四氢呋喃、环乙烷、异丁醇)
|
20-80%
|
0-99.9%
|
|
母液处理量范围5~2000kg/h
|
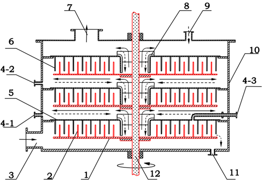
超重力基本原理:

1-动盘; 2-动折流圈;3-气体进口管; 4-1,2,3-液体进口管; 5-静盘; 6-静折流圈;7-气体出口管; 8-导流管; 9-回流管;10-壳体; 11-液体出口管;12-转轴

实物图: