消色差透镜对简介

       鑫视科科技提供的消色差透镜对是由两个未安装的胶合消色差透镜组装而成,此透镜对可用于中继成像系统、数值孔径转换或图像放大系统中。消色差透镜常用于无限共轭,而成对使用时也非常适合有限共轭的场景。在有限共轭应用中,物体和图像到透镜对都是有限距离。

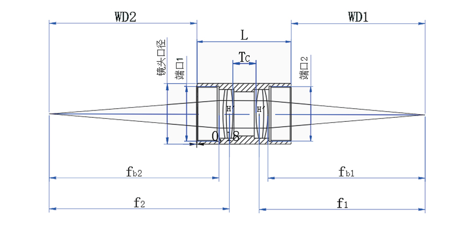
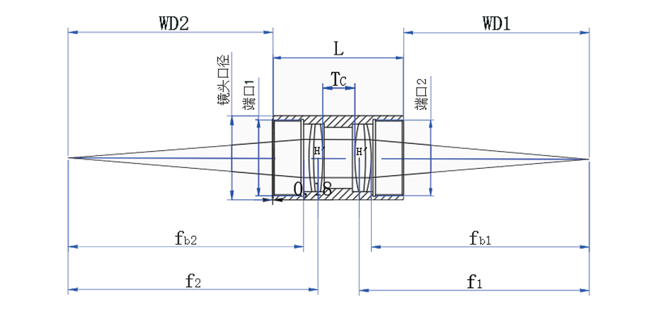
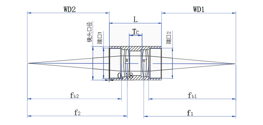
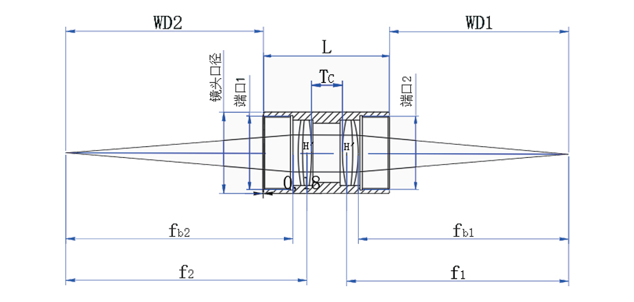
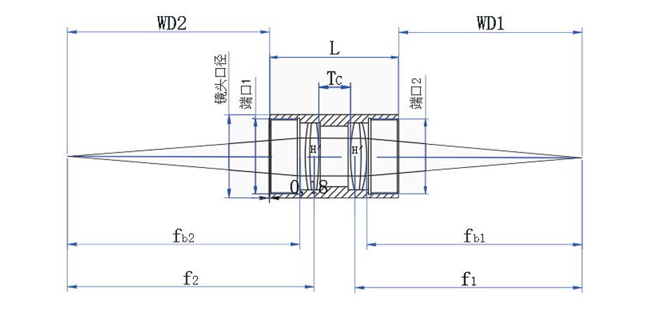
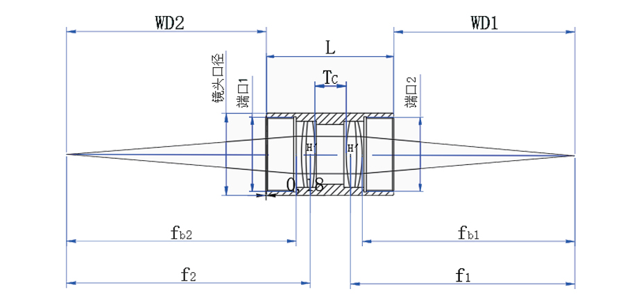
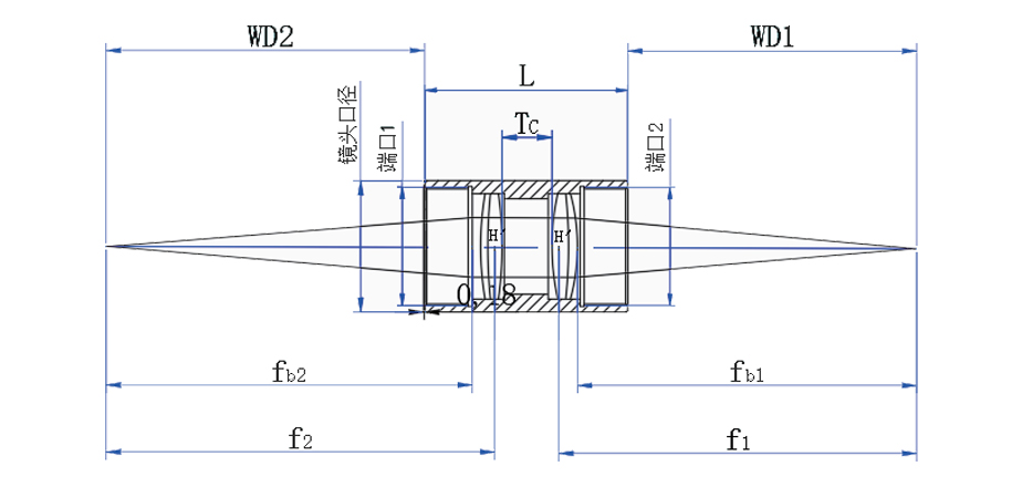
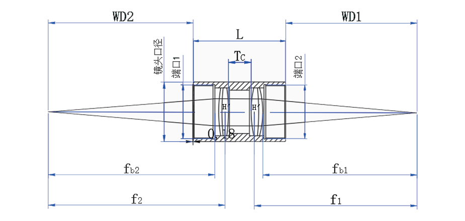
消色差透镜对特征

镜筒口径:31.75mm(h11) 镜筒长L尺寸误差: +0.0/-0.1
波长:400~700nm(VIS) 透镜间隔误差:±0.2
螺纹端口1:M28.5×0.6阴 螺纹端口2:M28.5×0.6阴
尺寸单位:毫米mm 可转SM1接口的适配器型号:PN33131-FSM1-M28.5
产品列表
展开 产品型号 单价 库存状态 购物车
SLP31-025B-3075-VIS

消色差透镜对D=22.00mm F=22.5 Ravg<0.5% @400~700nm

  • 31.75mm(h11)
  • +0.0/-0.1
  • 400~700nm(VIS)
  • ±0.2
  • 毫米 mm
  • 1:2.50
  • 22.5
  • 30
  • 75
  • 12.98
  • 12.82
  • 2.7±0.2
  • 37
  • 22.9
  • 70.3
  • 78.84μm
  • 透镜间隔2.7mm,最小长度26.2mm
  • 符合标准
  • M28.5×0.6阴
  • M28.5×0.6阴
SLP31-025B-3050-VIS

消色差透镜对D=22.00mm F=20.00 Ravg<0.5% @400~700nm

  • 31.75mm(h11)
  • +0.0/-0.1
  • 400~700nm(VIS)
  • ±0.2
  • 毫米 mm
  • 1:1.67
  • 20.00
  • 30
  • 50
  • 10.23
  • 9.95
  • 4.1±0.2
  • 40
  • 22.9
  • 43.4
  • 60.52μm
  • 透镜间隔4.1mm,最小长度29.6mm
  • 符合标准
  • M28.5×0.6阴
  • M28.5×0.6阴
SLP31-025B-30100-VIS

消色差透镜对D=22.00mm F=25.00 Ravg<0.5% @400~700nm

  • 31.75mm(h11)
  • +0.0/-0.1
  • 400~700nm(VIS)
  • ±0.2
  • 毫米 mm
  • 1:3.33
  • 25.0
  • 30
  • 100
  • 15.01
  • 17.08
  • 8.0±0.2
  • 38
  • 22.9
  • 97.1
  • 118.37μm
  • 透镜间隔8.0mm,最小长度28.5mm
  • 符合标准
  • M28.5×0.6阴
  • M28.5×0.6阴
SLP31-025B-40100-VIS

消色差透镜对D=22.00mm F=30.00 Ravg<0.5% @400~700nm

  • 31.75mm(h11)
  • +0.0/-0.1
  • 400~700nm(VIS)
  • ±0.2
  • 毫米 mm
  • 1:2.50
  • 30.0
  • 40
  • 100
  • 21.42
  • 22.38
  • 3.3±0.2
  • 32
  • 33.4
  • 97.1
  • 82.04μm
  • 透镜间隔3.3mm,最小长度22.3mm
  • 符合标准
  • M28.5×0.6阴
  • M28.5×0.6阴
SLP31-025B-3040-VIS

消色差透镜对D=22.00mm F=19.00 Ravg<0.5% @400~700nm

  • 31.75mm(h11)
  • +0.0/-0.1
  • 400~700nm(VIS)
  • ±0.2
  • 毫米 mm
  • 1:1.33
  • 19.0
  • 30
  • 40
  • 8.01
  • 8.00
  • 4.2±0.2
  • 41
  • 22.9
  • 33.4
  • 74.64μm
  • 透镜间隔4.2mm,最小长度30.7mm
  • 符合标准
  • M28.5×0.6阴
  • M28.5×0.6阴
SLP31-025B-50100-VIS

消色差透镜对D=22.00mm F=35.00 Ravg<0.5% @400~700nm

  • 31.75mm(h11)
  • +0.0/-0.1
  • 400~700nm(VIS)
  • ±0.2
  • 毫米 mm
  • 1:2.00
  • 35.0
  • 50
  • 100
  • 25.83
  • 27.21
  • 5.6±0.2
  • 34
  • 43.4
  • 97.1
  • 18.71μm
  • 透镜间隔5.6mm,最小长度23.6mm
  • 符合标准
  • M28.5×0.6阴
  • M28.5×0.6阴
SLP31-025B-75150-VIS

消色差透镜对D=22.00mm F=52.5 Ravg<0.5% @400~700nm

  • 31.75mm(h11)
  • +0.0/-0.1
  • 400~700nm(VIS)
  • ±0.2
  • 毫米 mm
  • 1:2.00
  • 52.5
  • 75
  • 150
  • 44.26
  • 41.84
  • 8.2±0.2
  • 36
  • 70.3
  • 146.1
  • 9.35μm
  • 透镜间隔8.2mm,最小长度25.6mm
  • 符合标准
  • M28.5×0.6阴
  • M28.5×0.6阴
SLP31-025B-5075-VIS

消色差透镜对D=22.00mm F=32.5 Ravg<0.5% @400~700nm

  • 31.75mm(h11)
  • +0.0/-0.1
  • 400~700nm(VIS)
  • ±0.2
  • 毫米 mm
  • 1:1.50
  • 32.5
  • 50
  • 75
  • 21.95
  • 22.43
  • 7.9±0.2
  • 39
  • 43.4
  • 70.3
  • 15.61μm
  • 透镜间隔7.9mm,最小长度28.9mm
  • 符合标准
  • M28.5×0.6阴
  • M28.5×0.6阴
产品详细介绍