精密偏光镜座简介

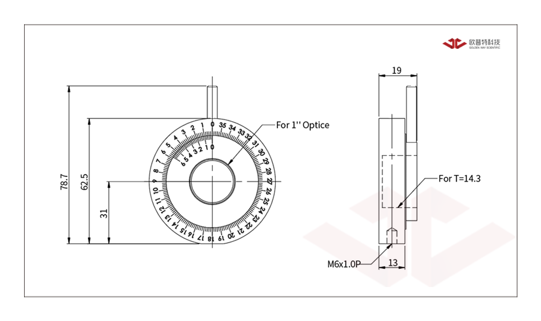
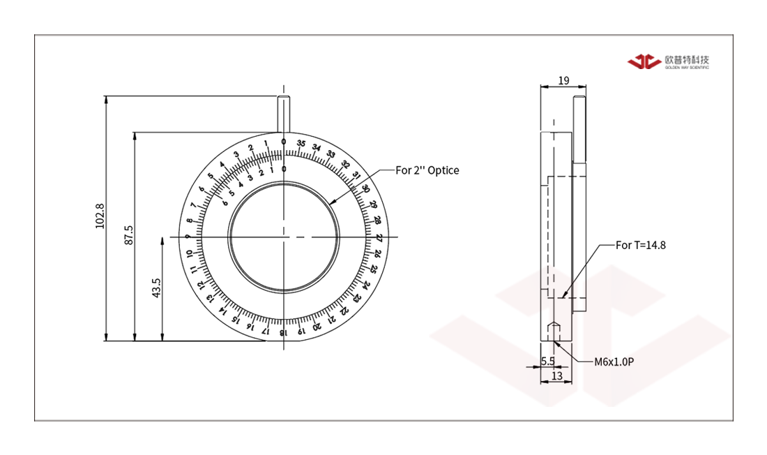
  精密偏光镜座用于固定偏振光学元件,能够实现连续旋转360°,刻度精度2°的调节,同时调节器的位置和调整架的旋转可单独用锁定螺丝锁定。可夹持两种尺寸25.4mm、50.8mm的元件。

产品列表
展开 产品型号 单价 库存状态 购物车
SPLM-1

精密偏光镜座

  • Φ25.4
  • 3-10
  • 0.11
SPLM-2

精密偏光镜座

  • Φ50.8
  • 4-10
  • 0.16
产品详细介绍

SPLM 精密偏光镜座简介

  精密偏光镜座用于固定偏振光学元件,能够实现连续旋转360°,刻度精度2°的调节,同时调节器的位置和调整架的旋转可单独用锁定螺丝锁定。可夹持两种尺寸25.4mm、50.8mm的元件。

SPLM 精密偏光镜座特征

1、标准大小的偏光镜垂直于它的光学轴;
2、可适合直径25.4mm的或50.8mm的偏光镜、波片等;
3、手动式360°任意旋转,外环每5°有一标记,光标副尺设计,最小精度可读取至2°;
4、使用螺纹牙环固定25.4mm和50.8mm的光学组件和工塑环配合可稳定固定,又不损伤偏光镜、波片等组件;
5、产品内含一个螺纹牙环。