不锈钢精馏装置是工业分离与精细化工领域的核心设备,专为实现物料高效提纯、分离而设计,涵盖连续精馏、间歇精馏实验、加压连续精馏三大核心系列,均以优质不锈钢材质为基础,搭配智能控制系统,适配从实验室小试、中试到工业化大生产的多元需求,核心解决物料分离过程中纯度控制、效率提升、操作安全等关键问题。
连续精馏装置核心解决间歇精馏馏出液浓度波动的痛点,实现馏出液浓度稳定控制。其流程为原料液经预热后送入进料板,与塔顶回流液汇合逐板下降至再沸器,塔内回流液与上升蒸气充分传质传热,塔底连续排出残液或产品,塔顶蒸气冷凝后部分回流、部分作为产品输出。
装置由塔釜再沸器、精馏塔、塔顶冷凝器、回流比分配器 / 回流罐、控制系统等组成,通体采用 316L 不锈钢、钛合金等耐腐蚀材质,连接方式为法兰连接,密封性可靠且安装便捷。核心特点是可连续大规模生产,能源利用率高,操作易控,搭配 PLC 集成控制系统,能精准调控压力、温度、流量等参数,支持历史数据追溯与工艺曲线调阅,配备多级安全连锁保护。
适用场景包括化工原料精制、溶剂回收、精细化学品规模化提纯等,关键参数可定制,塔径(中试)涵盖 DN32~DN150,塔釜设计温度常温~300℃,设计压力 - 1bar~5bar,回流比调节范围 1:99~99:1,支持液位差回流(ASK 专利)或强制回流。
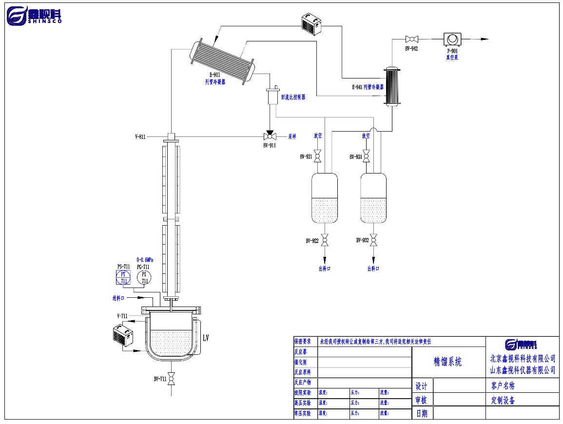
间歇精馏实验装置聚焦小批量、多组分物料的精细分离,兼具实验研发与小规模生产功能,可实现常压、减压、加压操作及反应精馏实验。流程为原料液一次性加入塔釜,加热沸腾后蒸气经填料层冷凝,通过电磁回流比控制实现回流与采出,配备三个接收罐分别收集前馏分、中间馏分与成品,可灵活切换。
装置主体与物料接触部分为 316L 不锈钢,核心部件包括塔釜(10L)、精馏塔(DN40,有效填料高度 1500mm)、冷凝器(温控范围 - 25~200℃)、真空系统及仪表控制系统,搭载进口压力传感器、差压式液位计,数据实时传输。核心优势是回流比可任意调节,功能多元,适配复杂原料分离,关键阀门与真空泵可选国产 / 进口品牌,最高使用压力覆盖大气压至绝对真空,塔釜最高加热温度 300℃,满足精细化工研发、小批量特种物料提纯需求。
加压连续精馏装置专为低沸点、高分离要求物料设计,尤其适配电子级特气领域,通过加压工艺省却冷冻水需求,还可打破部分物料共沸体系。其核心是稳定控制塔顶压力,根据馏出物状态(气相 / 液相 / 气液两相)采用对应压力控制方式,搭配低温循环制冷设备实现塔顶冷却。
装置遵循压力容器设计标准,由塔釜再沸器、加压精馏塔、低温冷凝器、回流比分配器等组成,材质为 316L 不锈钢,采用 PLC 集成控制,精准调控温度、压力(0~10bar)、回流比等参数。核心特点是分离效率高,适配连续化生产,密封性与安全性突出,塔高、塔径根据 ASPEN 计算或小试结果定制,填料可选金属丝网、规整填料等,支持真空系统、高低温一体机等选配,适用于电子级特气提纯、低沸点溶剂分离等高端场景。
不锈钢精馏装置均具备材质可靠(核心接触部件为 304、316L 不锈钢、C276哈氏合金、钛合金等)、定制化程度高(塔径、温度、压力等参数可按需非标设计)、操作智能(PLC 集成控制或精密仪表控制,实现参数实时监测与精准调控)、安全稳定(配备优质阀门、传感器及安全连锁系统,保障长周期运行)的特点,可根据客户工艺需求提供从方案设计到设备调试的全流程解决方案,助力提升分离效率与产品纯度。

![]() |
![]() |
| 产品编号 | 产品名称 | 产品型号 | 产品功能 | 单价 | 库存状态 | 购物车 |
|---|---|---|---|---|---|---|
| SSC-001779 | 不锈钢精馏装置 | SSC-001779-1套 | 以优质不锈钢材质为基础,搭配智能控制系统,适配从实验室小试、中试到工业化大生产的多元需求,核心解决物料分离过程中纯度控制、效率提升、操作安全等关键问题。 |
©2012 北京鑫视科科技有限公司--山东鑫视科仪器有限公司
版权所有 备案号:鲁ICP备2024060264号
鲁公网安备37048102006742

北京鑫视科科技有限公司
山东鑫视科仪器有限公司
电话:4008058599
Web:www.shinsco.cn
邮箱:ssc@shinsco.cn
地址:山东省滕州市奚仲路1号墨子科创园D3
服务热线
微信号
购物车
0
最新消息
返回顶部