登录
/
注册
购物车
0
Toggle navigation
产品中心
催化实验仪器
催化剂评价、固定床
双光路光热催化系统
高温高压催化剂评价系统
非标定制微反、小试、中试等化工试验装置
多通道管式反应器催化剂评价系统
多通道合成气制合成油装置
多通道甲醇制烯烃装置
多通道二氧化碳加氢装置
多通道生物质油裂解装置
催化动态配气仪
催化高温反应仪
封闭反应体系的在线取样系统
连续流反应体系的在线取样系统
催化剂评价系统配件
精睿不锈钢泵
精睿高压四氟泵
光催化、光热催化和光致热催化----太阳能催化
微通道连续流
微通道连续流智能合成系统
微通道连续流智能光合成系统
微通道连续流智能电合成系统
微通道混合器
微通道连续流光化学反应器
液固相连续流光化学反应器
板式微通道连续流光化学反应器
板式玻璃微通道连续流光化学反应器
微通道连续流电合成反应器
电合成微通道连续流动池
多层电合成流动反应池
光电合成微通道流动池
微界面强化连续智能合成解决方案
电催化、SOEC/SOFC
电催化连续流反应系统
光电流动反应池
电化学池
光电化学电解池
光电化学池
带水浴光电化学池
可控温光电反应器
H型可换膜光电反应器
电致化学发光(ECL)电解池
玻碳坩埚电解池
原位拉曼电解池
电池原位拉曼测试池
原位拉曼光谱电化学池
腐蚀测试电解池
电池测试电解池
锌空气光电电解池
电池原位XRD测试池
电池充放电观测池
测试装置
三(二)电极电池测试池
精品定制
薄层流动池
电化学石英晶体微天平池
微生物成膜过程在线监控系统
二氧化碳电还原
二氧化碳电还原流动装置
气体(CO2)还原装置
膜电极测试装置
质子膜电导率测试装置
膜电极测试夹具(四电极)
电解水
电解水F
旋转装置
常规电极
圆盘电极
铂丝电极
电极夹
石墨棒电极
两用电极
铂网电极
铂 片 电 极
参比电极
汞-氧化汞电极
汞-硫酸亚汞电极
饱和甘汞电极
银-银离子电极
可拆氯化银电极
全氟氯化银电极
银氯化银电极
抛光材料
α-氧化铝抛光粉
玻璃抛光座
抛光布
人造绒抛光布
进口砂纸
电解池
常规电解池
密封电解池
单水浴电解池
常规电解池(玻璃池体)
多功能电解池
电极架
电解池C040
水浴五口瓶
五口电解池
H型电解池
可换膜H型电解池
三口H型电解池
带水浴H型电解池
H型电解池C002
光催化反应
光催化活性评价系统
光致热催化反应系统
光催化反应釜
多相光催化反应器
光催化常用反应器
控温一体光催化反应器
在线光解水反应器
在线二氧化碳还原反应器
在线气固反应器
浸入式光催化反应器
工业级户外智能追光反应系统
氙灯光源
光催化氙灯光源
光催化氙灯光源(高端一体)
光催化氙灯光源(智能控制)
光热400W氙灯光源
模拟日光氙灯光源
模拟日光氙灯光源(智能控制)
光催化1000W氙灯光源(智能控制)
太阳光模拟器
汞灯光源
均光汞灯光源
LED光源
大功率LED光源
双光路LED光化学反应仪
平行光化学反应仪
光源测量
标准太阳能电池
光纤光谱仪
光纤光谱仪
低功率脉冲氙灯光源
氘钨氙一体光源
可调钨灯光源
紫外石英光纤
反射率测量配件
紫外石英比色皿
透射率测量支架
辐照计
光功率计
光催化滤光片
反射滤光片
宽带通滤光片
带通滤光片
光催化配件
电动升降台
光化学实验箱
光导光纤
氙灯光纤连接器
光纤连接器
氙灯汇聚透镜连接器
氙灯复眼均光连接器
氙灯可调方斑连接器
氙灯灯泡
球形汞灯灯泡
球形氙灯灯泡
SSC-300WPE氙灯电源
SSC-500WXS氙灯电源
氙灯专用高压触发器
LED灯板
测量分析仪器
凯视迈显微镜
3D超景深显微镜
激光光谱共聚焦显微镜
激光多普勒测振仪
气相色谱仪
常规气相色谱仪
GC60型气相色谱仪
GC70型气相色谱仪
HF-901型气相色谱仪
HF-900型气相色谱仪
HF-901A型气相色谱仪
GC-7800型气相色谱仪
GC-7820型气相色谱仪
专用气相色谱仪
HF-901D 电力变压器油色谱仪
HF-901M 全自动煤矿专用气相色谱仪
GC-7820液化石油气分析专用色谱仪
GC-7820 氦离子化气相色谱仪
GC-7820车用汽油专用色谱仪
GC-7820型非甲烷总烃专用色谱仪
HF-901Q 汽油PONA分析仪
HF-901H 含氧化合物及芳烃含量分析色谱仪
HN-200DS化学实验技术技能大赛专用气相色谱仪
工业在线分析仪
GCS-70 工业在线分析仪
GCS-60在线硫化物分析仪
HFZX-01新能源行业气体分析成套系统
KGC2700隔爆型天然气在线气相色谱仪
便携式色谱仪
GCS-80A便携式微量硫分析仪
GCS-80便携式微量硫分析仪
NMHF-60便携式甲烷/非甲烷总烃/苯系物气相色谱仪
VOCs在线监测系统
NBGC-60 甲烷/非甲烷总烃/苯系物在线气相色谱仪
VOCs在线监测系统
气源配套设备
GA-2009S大容量无油空气发生器
GA-2009型空气发生器
HGZ–300氢气发生器
KQHF-300氢空一体机
QTHF-80在线除烃仪
ZAHF-3L在线零点空气发生器
ZQHF-300在线氢气发生器
色谱仪配套产品
AGS-30(60)自动气体进样器
AHS-16全自动顶空进样器
ALS-24液体自动进样器
HS-06顶空进样器
TD-06型一次自动热解析仪
TD-09型二次自动热解析仪
专用工作站
高效、高分离度的填充柱、毛细管柱
填充柱色谱柱
毛细管色谱柱
电化学工作站
上海辰华
CHI600E系列电化学分析仪/工作站
CHI760E系列电化学分析仪/工作站
科思特
光电测试系统
探测器光谱响应测试系统
模组化太阳电池光谱性能测试系统
稳态表面光电压测试系统
太阳能电池IV测量系统
质谱仪
小分子在线质谱仪
气相色谱质谱联用仪
吉时利源表
斯坦福SRS
数字锁相放大器
光学斩波器
实验室常规仪器&配件
磁力搅拌器
大龙磁力搅拌器
MS7-H550-Pro 7寸LCD 数控加热型磁力搅拌器
MS-H-ProA LCD数控加热型5寸圆盘磁力搅拌器
MS-H-ProM LCD数控定时款加热型强磁磁力搅拌器
MS-H280-Pro 5寸LED数显加热型磁力搅拌器
MS-H340-S4 LCD数控加热型四通道磁力搅拌器
上海司乐磁力搅拌器
油浴恒温磁力搅拌器
智能恒温数显磁力搅拌器
旋涡磁力搅拌器
加热磁力搅拌器
电动搅拌器
大龙电动搅拌器
OS70-Pro LCD数控顶置式强力电子搅拌器
OS40-Pro LCD数控顶置式强力电子搅拌器
OS20-Pro LCD数控顶置式电子搅拌器
OS40-S LED数显顶置式强力电子搅拌器
OS20-S LED数显顶置式强力电子搅拌器
控温循环水浴
CC-1008E控温循环水浴
CC-2013E控温循环水浴
CC-2020E控温循环水浴
icooler-2003+控温循环水浴
CC-2005SH控温循环水浴
CC-2013SH控温循环水浴
CC-2020SH控温循环水浴
iCooler-4006 低温冷却液循环泵
纯水机
阀门管件
单向阀
卡套接头
截止阀
球阀
过滤器
直通
比例卸荷阀
螺纹接头
减压阀
背压阀
调节阀
流量计
CS-200系列
D07系列
真空泵
夹子
防护
磁子
移液器
TopPette手动单道可调式移液器
DispensMate一代手动瓶口分液器
DispensMate-Pro二代手动瓶口分液器
dTrite电子滴定器
dFLow电子瓶口分液器
MX-S可调式混匀仪
加热板
HP550-S LED数显7寸加热板
HP500-Pro LCD数显10寸加热板
旋转蒸发仪
光学元件
透镜
平凸透镜
标准平凸透镜
UV熔融石英平凸透镜
氟化钙平凸透镜
硒化锌平凸透镜
硅(Si)平凸透镜
锗(Ge)平凸透镜
双凸透镜
标准双凸透镜
UV熔融石英双凸透镜
氟化钙双凸透镜
硒化锌双凸透镜
平凹透镜
标准平凹透镜
UV熔融石英平凹透镜
氟化钙平凹透镜
硒化锌平凹透镜
双凹透镜
标准双凹透镜
UV熔融石英双凹透镜
氟化钙双凹透镜
硒化锌双凹透镜
平凸柱面透镜
标准平凸柱面透镜
UV熔融石英平凸柱面透镜
氟化钙(CaF₂)平凸柱面镜
平凹柱面透镜
标准平凹柱面透镜
UV熔融石英平凹柱面透镜
鼓形透镜
H-K9L鼓形透镜
UV熔融石英鼓形透镜
球透镜
H-K9L球透镜
UV熔融石英球透镜
正消色差透镜
可见光双胶合消色差透镜
近红外双胶合消色差透镜
短波红外双胶合消色差透镜
可见近红外双带消色差正胶合透镜
标准焦距消色差正胶合透镜
负消色差透镜
可见光双胶合负消色差透镜
短波近红外双胶合负消色差透镜
标准焦距消色差负胶合透镜
消色差透镜对
柱面正消色差透镜
可见光柱面消色差透镜
短波近红外柱面消色差透镜
弯月(最佳形状)透镜
H-K9L正弯月透镜
熔融石英正弯月透镜
氟化钙正弯月透镜
硒化锌正弯月透镜
锗正弯月透镜
非球面透镜
标准精度精密抛光非球面透镜
高精精密抛光非球面透镜
紫外熔融石英非球面透镜
硒化锌非球面透镜
棱镜
直角棱镜
标准精度H-K9L
高精度H-K9L
激光级H-K9L
标准精度紫外熔融石英
高精度紫外熔融石英
激光级紫外熔融石英
道威棱镜
不镀膜
镀增透镜
屋脊棱镜
角锥棱镜(后向反射器)
H-K9L角锥棱镜
紫外熔融石英角锥棱镜
已安装H-K9L角反射棱镜
已安装紫外熔融石英角反射棱镜(角锥)
五角棱镜
立方基准镜
中空角锥(中空后向反射器)
表面镀铝型
表面镀金型
色散棱镜
微晶立方基准棱镜
窗口片
H-K9L窗口
标准精度窗口
高精度窗口
激光窗口
楔形窗口
楔形棱镜
圆球罩
紫外熔融石英窗口
紫外熔融石英标准精度窗口
紫外熔融石英高精度窗口
紫外熔融石英激光窗口
紫外熔融石英楔形窗口
紫外熔融石英楔形棱镜
紫外熔融石英圆球罩
紫外熔融石英布鲁斯特窗口
蓝宝石窗口
蓝宝石标准精度窗口
蓝宝石高精度窗口
氟化钡窗口
氟化钙窗口
多光谱硫化锌窗口
硒化锌窗口
硅窗口
锗窗口
反射镜
标准精度平面反射镜
H-K9L 未镀膜
H-K9L 普通铝膜
H-K9L 紫外铝膜
H-K9L 保护银膜
H-K9L 保护金膜
熔融石英未镀膜
熔融石英 普通铝膜
熔融石英 紫外铝膜
熔融石英 保护银膜
熔融石英 保护金膜
高精度平面反射镜
高精度平面反射镜H-K9L 未镀膜
高精度平面反射镜H-K9L 普通铝膜
高精度平面反射镜H-K9L 紫外铝膜
高精度平面反射镜H-K9L 保护银膜
高精度平面反射镜H-K9L 保护金膜
高精度平面反射镜熔融石英 未镀膜
高精度平面反射镜熔融石英 普通铝膜
高精度平面反射镜熔融石英 紫外铝膜
高精度平面反射镜熔融石英 保护银膜
高精度平面反射镜熔融石英 保护金膜
宽带介质平面高反镜
宽带介质平面高反镜350~400nm
宽带介质平面高反镜400~800nm
宽带介质平面高反镜750~1250nm
宽带介质平面高反镜1200~1800nm
平凹球面反射镜
平凹球面反射镜H-K9L 未镀膜
平凹球面反射镜H-K9L 普通铝膜
平凹球面反射镜H-K9L 紫外铝膜
平凹球面反射镜H-K9L 保护银膜
平凹球面反射镜H-K9L 保护金膜
宽带介质球面高反镜
宽带介质球面高反镜350~400nm
宽带介质球面高反镜400~800nm
宽带介质球面高反镜750~1250nm
宽带介质球面高反镜1200~1800nm
平凹柱面反射镜
平凹柱面反射镜H-K9L 未镀膜
平凹柱面反射镜H-K9L 普通铝膜
平凹柱面反射镜H-K9L 紫外铝膜
平凹柱面反射镜H-K9L 保护银膜
平凹柱面反射镜H-K9L 保护金膜
高精度椭圆形反射镜
高精度椭圆形反射镜H-K9L 未镀膜
高精度椭圆形反射镜H-K9L 铝保护膜
高精度椭圆形反射镜H-K9L 银保护膜
高精度椭圆形反射镜H-K9L 金保护膜
高精度椭圆形反射镜熔融石英 未镀膜
高精度椭圆形反射镜熔融石英 可见区介质膜
高精度椭圆形反射镜熔融石英 短波近红外介质膜
直角反射镜
直角反射镜H-K9L 普通铝保护膜
直角反射镜H-K9L 紫外铝保护膜
直角反射镜H-K9L 银保护膜
直角反射镜H-K9L 金保护膜
直角反射镜H-K9L 可见区介质膜
直角反射镜H-K9L 短波近红外介质膜
激光反射镜
激光反射镜Nd:YAG反射镜
激光反射镜氩离子反射镜
经济型金属膜反射镜
经济型金属膜反射镜H-K9L 普通铝膜
经济型金属膜反射镜H-K9L 紫外铝膜
经济型金属膜反射镜H-K9L 保护银膜
经济型金属膜反射镜H-K9L 保护金膜
怀特池用反射镜组
怀特池用反射镜组H-K9L平凹球面反射主镜
怀特池用反射镜组H-K9L平凹球面离轴反射次镜
光学平晶
H-K9L高精度双面光学平晶
熔融石英高精度双面光学平晶
熔融石英高精度双面光学平晶波长/20 精度
熔融石英高精度双面光学平晶波长/10 精度
H-K9L单面光学平晶
H-K9L单面光学平晶波长/20 精度
H-K9L单面光学平晶波长/10 精度
熔融石英单面光学平晶
熔融石英单面光学平晶波长/20 精度
熔融石英单面光学平晶波长/10 精度
分光元件
H-K9L分光平片
H-K9L分光平片宽带分光片
H-K9L分光平片点阵分光片
H-K9L分光平片椭圆宽带分光片
H-K9L分光平片经济型分光片
紫外熔融石英分光片
紫外熔融石英分光片宽带分光楔片
紫外熔融石英分光片镀铝点阵分光片
氟化钙分光楔片
硒化锌分光楔片
分光棱镜
分光棱镜普通分光棱镜
分光棱镜偏振分光棱镜
分光棱镜非偏振分光棱镜
衍射光栅
平面刻划型光栅
平面刻划型光栅红外波段
平面刻划型光栅紫外-近红外波段
平面全息型光栅
面全息型光栅可见波段
平面全息型光栅紫外波段
透射型光栅
透射型光栅紫外波段
透射型光栅可见波段
透射型光栅近红外波段
阶梯光栅
透射光栅分光片
滤光片
窄带滤光片
窄带滤光片半带宽=10nm
窄带滤光片半带宽>10nm
窄带滤光片有色玻璃带通滤光片
长波通滤光片
长波通滤光片高性能长波通滤光片
长波通滤光片经济型长波通滤光片
长波通滤光片有色玻璃长波通滤光片
短波通滤光片
短波通滤光片高性能短波通滤光片
短波通滤光片经济型短波通滤光片
中性密度滤光片
中性密度滤光片反射型中性密度滤光片(紫外-近红外)
中性密度滤光片反射型中性密度滤光片(可见-近红外)
中性密度滤光片吸收型中性密度滤光片
热反射镜和冷反射镜
热反射镜和冷反射镜高性能热反射镜
热反射镜和冷反射镜高性能冷反射镜
二向色分光滤光片
二向色分光滤光片二向色长波通滤光片
二向色分光滤光片二向色短波通滤光片
中远红外滤光片
中远红外滤光片红外带通滤光片
PCR荧光滤光片
PCR荧光滤光片激发滤光片
PCR荧光滤光片发射滤光片
PCR荧光滤光片二向色镜
荧光显微镜滤光片
荧光显微镜滤光片激发滤光片
荧光显微镜滤光片发射滤光片
荧光显微镜滤光片二向色镜
偏振元件
波片
波片胶合零级波片
波片多级波片
激光光学
激光棱镜
直角棱镜
直角棱镜紫外熔融石英激光应用直角棱镜
直角棱镜H-K9L激光应用直角棱镜
激光分光元件
激光分光棱镜
激光分光棱镜激光偏振分光棱镜
激光波片
空气隙零级1/2波片
空气隙零级1/4波片
激光反射镜
高功率Nd:YAG激光反射镜
Borofloat® 33激光反射镜
熔融石英激光反射镜
熔融石英激光反射镜Nd:YAG反射镜
熔融石英激光反射镜氩离子反射镜
激光透镜
激光平凸透镜激光平凸透镜
激光窗口
H-K9L激光平面窗口
紫外熔融石英激光平面窗口
光机系统
迈克尔逊干涉仪系统
测焦仪检测物镜组
静态星模拟器
小型光谱仪系统
成像镜头
可见定焦镜头
6M定焦镜头
5M部分远心镜头
8M定焦镜头
10M定焦镜头
5M定焦镜头
2M定焦镜头
短波近红外定焦镜头
线扫镜头
GA V8K系列线扫镜头
远心镜头
大视场低倍率双远心系列
光机械件
OB-光桥光学架构系统
光学元件安装部件
光学元件安装部件透镜安装环
光学元件安装部件滤光片安装环
架构固定环
多功能光路延长筒
螺纹转换适配器
调焦部件
调焦部件简易调焦筒
调焦部件自定心螺旋调焦筒
维度调整部件
目镜夹持部件
快捷转换适配器
锁紧隔圈
锁紧隔圈铜制锁紧隔圈
锁紧隔圈黄铜隔圈(每套含5个厚度)
防尘保护盖
光学平台和隔振系统
固定阻尼隔振光学平台
SWDUT 精密阻尼隔振器光学平台
SWDT 标准固定阻尼隔振平台
SWDS 独立腿固定阻尼隔振平台
SWDE 经济型固定阻尼隔振平台
气浮隔振光学平台
SWPT 精密型气浮隔振平台
SWPS 独立腿气浮隔振平台
SWPE 经济型气浮隔振平台
SWUDT 升级气浮配件组
SWUDS 升级气浮配件组
桌上型气浮隔振平台
SWPD 桌上型气浮隔振平台
光学平板
SWBE 井字面包板
SWBS 蜂窝带隔离杯面包板
SWOB 铝合金光学平板
光学平台附件
SWMDS 气浮独立模块
SWBT 光学平台仪器专用放置架
SWMA 空气压缩机
SPTV 气浮平台工作站
手动移动平台
旋转移动平台和角度移动平台
精密旋转台
位移台转接板
升降平台
垂直式移动平台
倾斜台
单轴倾斜平台(弧型导轨)
单轴倾斜平台(铝合金燕尾式)
鸠尾槽移动平台
燕尾式升降平台
线性移动平台
高精度交叉滚柱轴承位移台
单轴精密位移台
不锈钢位移台
三轴精密位移台
光学调整架
透镜调整架
透镜安装座
自定心透镜安装架
SM 螺纹系列透镜安装环
SML 透镜固定架
SML 透镜调整架
方形光学元件镜架
固定式柱面镜固定架
柱透镜调整架
矩形光学元件调整架
简单型平板固定架
棱镜调整架
SMPM角反射棱镜镜筒
定位/倾斜平台式棱镜座
光学棱镜调整架
高度可调式压臂
分光/反射镜镜架
标准光学调整架
压圈固定光学调整架
SMM 高稳定分光反射调整架
SMMC 中心调整分光反射调整架
SMM XY-万向式镜架
波片/偏光镜调整架
波片/偏振片镜架
倾斜/旋转光学调整架
精密偏光镜座
激光器调整架
V型夹持器
V型压块调整架
滤光片调整架
SMF 滤光片转换轮
SMFA 电动滤光片轮
滤光片夹持器及适配器
偏置滤光片转换轮
狭缝、光阑、小孔固定架
SMURS 高稳定杆架
SMRS 标准杆架
SMRO 支撑杆架组合件
SMAS 可调狭缝
小孔光阑
紧凑型可调狭缝
光机机械件及配件
支撑棒、棒座及组件
叉式压板组
磁性基座
固定高度基座
支撑棒
支撑棒座
基座
—体式棒座
U型带磁性棒座
组合底座三孔带磁性棒座
固定夹具
90°转接夹具
滑动底板
滑动基板
螺丝及配件
转接螺丝
光学导轨及滑块
光学滑轨
光学滑块
压电纳米位移台
压电纳米平移台
压电纳米平移台50nm精度压电平移台
压电纳米旋转台
压电纳米级旋转台
压电纳米升降台
压电纳米显微镜平台
光具座及附件
螺纹环和树脂垫圈
YQ 螺纹环
DQ 树脂垫圈
附件
叉式压板
玻璃仪器
干燥管,接收管Drying tube,Receiver tube
干燥管
干燥安瓿瓶
三通蒸馏接收管
真空接收管,通气管
带刻度的浓缩管,提取套筒
脂肪提取器,球型冷凝器
连接头Adapters
A型接头
B型接头
抽气接头
Y型接头、克莱森接头
蒸馏接头、分馏头、温度计接头
连接接头
U型接头、导向接头、弯头、油泡通气接头
输入、倒出、转移接头
90°接头、三通接头、抽滤接头、流量控制接头
油泡器,冷阱Oil bubbler,Cold trap
油泡器
冷阱
蒸馏、分馏器、精馏柱Distillation, fractionator, distillation column
蒸馏头
连续蒸馏球
蒸馏器
分馏柱
精馏
冷凝器Condensers
球型冷凝器
直型冷凝器
扁形夹套烧杯
蛇形冷凝器
高效蛇形回流冷凝器
高效、高容量、回流冷凝器
冷指冷凝器
旋蒸卧式冷凝器
层析柱Chromagraphy column
减压层析柱
具四氟节门层析柱
闪氏层析柱
具砂板闪氏层析柱
具砂板球磨口层析柱
球磨口闪氏层析柱
具存储瓶闪氏层析住
具存储瓶闪氏层析柱(砂芯片)
球磨口具存储球闪氏层析住
瓶Bottles,Flasks
溶剂存储瓶
单颈平/圆底烧瓶
鸡心烧瓶
溶剂存储球瓶
层析用溶剂存储瓶
球磨口单口圆底球瓶
螺纹口两口球瓶
厚壁斜两口烧瓶
直三口烧瓶
斜三口烧瓶
直四口烧瓶
斜四口烧瓶
厚壁茄型瓶
具磨口抽滤瓶
三口圆底烧瓶,四氟节门
夹套半包式/全包式直三口烧瓶
反应瓶
反应管
反应茄瓶
厚壁耐压瓶
漏斗Funnel
分液漏斗
加液漏斗
三角漏斗
平角漏斗,60°漏斗
布氏漏斗
具磨口砂芯布氏漏斗
具玻璃板布氏漏斗
具小孔玻璃布氏漏斗
带刻度恒压滴液漏斗(单节门)
带刻度恒压滴液漏斗(双节门)
精细可调式带刻度恒压滴液漏斗
分配器Distributors
双排管真空气体分配器(实心节门塞)
双排管真空气体分配器(空心节门塞)
双排管真空气体分配器(高真空阀)
单排管真空气体分配器(四氟节门)
单排管真空气体分配器(高真空阀)
溶剂转移分配器
防溅球Splash proof ball
防溅球
具砂板防溅球
具孔玻璃板防溅球
具回流孔防溅球
具回流孔砂芯防溅球
具回流孔玻璃板防溅球
防泡沫球
单内管蒸馏球
节门、塞子Stopcocks,Stoppers
节门
塞子
干燥装置Drying device
玻璃塞Glass stopper
玻璃塞(球形)
玻璃塞(两侧带挂钩)
玻璃塞(直型)
配件Accessories
尼龙盖,四氟垫片
可拆式小咀,十字夹
猪鬃毛刷
磨口塑料夹
球磨夹
双头溶剂转移针头
不锈钢弹簧及卡子
玛瑙研钵,铁架台
升降台
滴定管夹/蝴蝶夹,三爪夹
加热模块
有机化学成套玻璃仪器
化工装备&超净
净化工程
动物房代表案例展示
药厂代表案例展示
实验室代表案例展示
锂电池净化车间案例展示
配液中心案例展示
手术室净化工程案例展示
电子、光电净化工程案例展示
净化设备
生物安全柜
净化工作台
传递窗
FFU机组
风淋室
组合式空调机组
高效送风口
净化板材
机制彩钢夹芯板
手工彩钢夹芯板
净化配件
过滤器
洁净门系列
洁净窗
百叶风口
调节阀
电动阀
首页
关于我们
新闻中心
生产能力
技术中心
联系我们
申请售后
电话:400-8058-599
首页
产品中心
光学元件
光机械件
光学调整架
透镜调整架
SML 透镜固定架
SML-25.4T-0-Y
价格:
型号:
SML-25.4T-0-Y
编号:
SML-25.4T-0-Y
货期:
数量:
-
+
加入购物车
立即咨询
技术参数
光谱曲线图
技术服务
相关产品
产品配件(0)
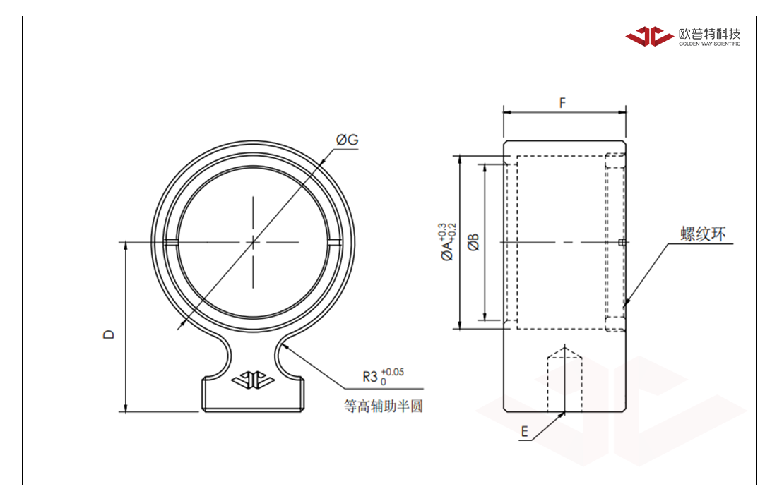
SML-25.4T-0-Y
元件外径A (mm)
Φ25/25.4
元件厚度T (mm)
2~7
有效直径B (mm)
Φ22
C
M26.25 P0.75
光轴高度D (mm)
25
厚F (mm)
12
安装孔 ( E )
M4
外圆 ( G )
Φ30
自重 (kg)
0.015
暂无技术服务说明!
产品型号
单价
库存状态
购物车
GML-25.4T-0-Y
--
-
+
GML-25.4-0-Y
--
-
+
SML-60-0-Y
--
-
+
SML-50.8T-0-Y
--
-
+
SML-50.8-0-Y
--
-
+
SML-38.1T-0-Y
--
-
+
SML-38.1-0-Y
--
-
+
SML-30T-0-Y
--
-
+
SML-25.4T-0-Y
--
-
+
SML-30-0-Y
--
-
+
在线客服
服务热线
服务热线
400-8058-599
功能与特性/价格和优惠/获取内部资料
微信号
微信服务号
购物车
0
最新消息
返回顶部