固态氧化物燃料电池评价系统用于评估SOFC单电池或电堆的电化学性能、稳定性及效率,明确关键影响因素(材料、温度、燃料组成等)。
| 展开 | 产品编号 | 产品名称 | 产品型号 | 产品功能 | 单价 | 库存状态 | 购物车 |
|---|---|---|---|---|---|---|---|
| SSC-001374 | 固态氧化物燃料电池评价系统 | SSC-SOFC80 | 固态氧化物燃料电池评价系统用于评估SOFC单电池或电堆的电化学性能、稳定性及效率,明确关键影响因素(材料、温度、燃料组成等)。产品为定制系统,根据需求配置确定最后价格,报价仅为参考 | ||||
固态氧化物燃料电池(solid oxide fuel cell,SOFC),SOFC所使用的电解质为固态非多孔金属氧化物,通常为三氧化二钇稳定的二氧化锆(Y2O3-stabilized-ZrO2,YSZ),在650~1000℃的工作温度下氧离子在电解质内具有较高的电导率。阳极使用的材料为镍-氧化锆金属陶瓷(Ni-YSZ),阴极则为锶掺杂的锰酸镧(Sr-doped-LaMnO3,LSM)。
SOFC 的优势特点:由于电池为全固体的结构,避免了使用液态电解质所带来的腐蚀和电解液泄漏等问题;不用铂等贵金属作催化剂而大大减少了电池成本;SOFC高质量的余热可以用于热电联供,从而提高余热利用率,总的发电效率可达80%以上;燃料适用范围广,从原理上讲,固体氧化物离子导体是最理想的传递氧的电解质材料,所以,SOFC 适用于几乎所有可以燃烧的燃料,不仅可以用气、一氧化碳、甲烷等燃料,而且可直接用天然气、煤气和其他碳氢化合物作为燃料。
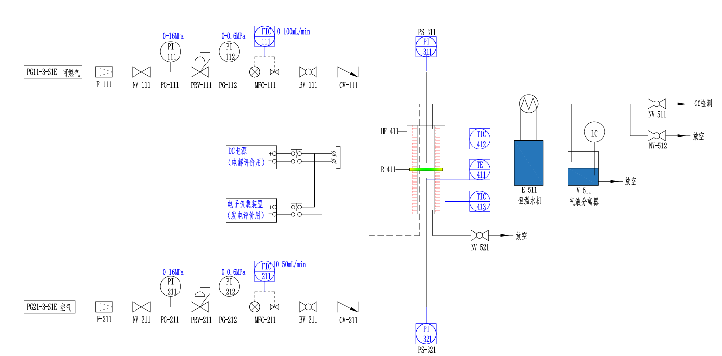
SSC-SOFC80固态氧化物燃料电池评价系统用于评估SOFC单电池或电堆的电化学性能、稳定性及效率,明确关键影响因素(材料、温度、燃料组成等)。该系统能够精确控制操作条件(温度、气体组成、流量等),实时监测电化学性能(电压、电流、阻抗等),并分析反应产物(H₂O、CO₂、O₂等)。本SOFC评价系统设计科学、功能全面,能够满足从材料研究到系统集成的多种测试需求。
通过高精度控制和多功能测试模块,可为SOFC的性能优化与商业化应用提供可靠的数据支持。
1、测量不同温度(600–900°C)下的极化曲线(I-V-P曲线)及功率密度。
2、分析燃料利用率(H₂/CH₄)对电池效率和输出性能的影响。
3、 通过电化学阻抗谱(EIS)解析欧姆阻抗、活化极化与浓差极化贡献。
4、 评估长期运行(>100小时)中的衰减机制(如阳极积碳、电解质老化)。
5、常用燃料气体:H₂、CH₄、合成气(H₂/CO)、空气(氧化剂)。
6、电化学工作站、电子负载(用于I-V、EIS测试)。
7、气相色谱仪(GC)或质谱仪(燃料利用率分析)。
8、数据采集系统(温度、电压、电流实时记录)。
9、可全面评价SOFC的电化学性能与可靠性,为材料优化和系统集成提供实验依据。
|
项目 |
技术参数 |
|
气体供应与控制系统 |
1) 提供精确配比的燃料气(H₂、CH₄、合成气等)和氧化剂(空气或纯氧),并控制流量和湿度。 2) 气源:高纯度H₂、CH₄、CO、N₂、空气(带减压阀)。 3) 质量流量控制器(MFC):精度±1% F.S.,流量范围0–500 sccm。 4)气体混合器:实现多组分气体(如H₂/CO/N₂)的均匀混合。 5)蒸汽发生器:通过液态水蒸发产生H₂O蒸汽,湿度范围5–50%。 6)气体管路:316不锈钢管,耐高温、耐腐蚀。 7) 控制方式:通过PLC编程实现气体流量、湿度的自动调节。 |
|
加热与温度控制模块 |
1) 提供稳定的高温环境(600–1000°C),确保SOFC正常运行。 2) 反应炉:最高温度1100°C,控温精度±1°C,加热区长度≥300 mm。 3)预热炉:用于反应前的气体加热,最高温度600°C,控温精度±1°C,加热区长度≥100 mm。 4)热电偶:K型热电偶,实时监测电池温度。 5) 隔热材料:陶瓷纤维,减少热损失。 6) 控制方式:PID温控器匹配功率调节,支持多段升温程序。 |
|
燃料电池测试专用夹具模块 |
用户可根据需求选择其中一种或多种 1) 半电池SOFC电池夹具,有效直径φ12,面积1cm2,主要分析工作电极的性能; 2) 管式SOFC电池夹具,有效直径φ12,面积1cm2,可分别分析阴阳极催化剂的性能; 3) 板式全陶瓷制SOFC夹具,有效规格20*20mm方形,面积4cm2,全陶瓷制可避免金属内不良元素的影响,气体流道设计无死角,实现高效的气固反应,集流体采用铂网,接触面积大,接触电阻极小; 4) 板式石英制SOFC夹具,有效规格20*20mm方形,面积4cm2,可以实现光电热体系下的催化剂评价。 |
|
电化学测试模块 |
电化学测试模块(选配,一般由用户提供或采购) 1) 功能:测量SOFC的电压、电流、功率密度及电化学阻抗谱(EIS)。 2) 电化学工作站:支持恒电位、恒电流、EIS模式,电压范围±10 V,电流范围±2 A。 3) 电流收集器:铂或镍网,确保低接触电阻。 4) 测试夹具:氧化铝陶瓷夹具,耐高温、绝缘性好。 I-V曲线:扫描电压(0.1–1.0 V),记录电流密度。 5) EIS:频率范围0.1 Hz–1 MHz,分析欧姆阻抗、活化极化和浓差极化。 |
|
数据采集 |
1) 功能:实时采集、存储和分析实验数据。 2) 数据采集卡:多通道,支持电压、电流、温度同步采集。 3) 软件平台:IoT软件,用于数据可视化与分析。 4) 数据库:存储实验参数与结果,支持后续查询与处理。 5) 采用15英寸工业触控屏 |
|
GC分析模块 |
选配鑫视科GC,可选择SSC-GC60或SSC-GC70(EPC) 1) 配置在线自动阀,实现全自动进样; 2) 配置TCD、FID+转化炉、FID毛细,三个检测器; 3) 配置对应的色谱柱、空气发生器、氢气发生器。 |
|
安全与尾气处理模块
|
1) 功能:确保实验安全,处理尾气中的有害成分(如CO、H₂)。 2) 气体泄漏检测器(标配):实时监测H₂、CO浓度,超标报警。 3) 尾气燃烧器(选配):将未反应的H₂/CO转化为H₂O/CO₂。 4) 紧急停机系统(标配):异常情况下自动切断气源和电源。 5) 通风系统(用户自备):强制排风,保持实验环境安全。 |
|
系统优势 |
1) 高精度控制:气体流量、温度、湿度可精确调节,满足多种实验需求。 2) 多功能测试:支持I-V曲线、EIS、长期稳定性等多种测试模式。 3)安全性高:配备气体泄漏检测、尾气燃烧和紧急停机系统。 4)自动化程度高:通过软件实现数据采集、分析与存储,减少人为误差。 |
|
应用场景 |
1) 材料研究:评估新型电解质、电极材料的性能。 2) 工艺优化:优化电池制备工艺(如烧结温度、电极厚度)。 3)系统集成:测试SOFC电堆在实际操作条件下的性能。 |
|
项目 |
建议 |
|
电池组装与密封 |
将单电池置于氧化铝测试夹具中,用玻璃陶瓷胶密封边缘。连接Pt或Ni网作为电流收集器,确保低接触电阻。 |
|
电池活化与预处理 |
阳极还原:通入5% H₂/Ar混合气,升温至800°C,保持2小时(NiO→Ni)。初始性能测试:在800°C、H₂流量50 sccm下,记录开路电压(OCV),验证电解质致密性(OCV应接近理论值1.1 V)。 |
|
极化曲线与功率密度 |
固定温度(700°C、800°C、850°C),以10 mV/s扫描电压(0.7–0.1 V),记录电流密度和功率密度。 比较不同燃料(纯H₂、H₂/CO=1:1、CH₄)下的性能差异。 |
|
电化学阻抗谱(EIS) |
在OCV状态下,施加10 mV交流扰动(频率范围0.1 Hz–100 kHz),拟合欧姆电阻(RΩ)、活化极化电阻(Ract)及扩散阻抗(Rdiff)。 |
|
燃料利用率测试 |
固定电流密度(0.5 A/cm²),通过GC分析尾气中未反应的H₂/CO,计算燃料利用率(η_fuel = 1 – [未反应燃料]/[输入燃料])。 |
|
长期稳定性测试 |
在0.7 V、800°C下连续运行100小时,每10小时记录一次电流密度和EIS,观察性能衰减。 |
|
操作温度 |
平衡效率与材料稳定性,梯度升温测试(600–900°C) |
|
燃料组成 |
提高抗积碳能力,对比纯H₂、合成气、CH₄的性能差异,(H₂/CO=1:1)。 |
|
阳极孔隙率 |
增强气体扩散与反应活性,调整造孔剂(石墨)含量(10–30 wt%)。 |
|
电流密度 |
避免浓差极化主导,限制最大电流密度(<1.5 A/cm²)。 |




