微通道连续流智能电合成系统主要用于电催化反应和光电催化剂的性能评价,可以实现连续流和循环连续流实验,配置反应液体控温系统,实现主要用于光电催化CO2还原反应全自动在线检测系统分析,光电催化、N2催化还原,电催化分析、燃料电池、电解水等。
| 展开 | 产品编号 | 产品名称 | 产品型号 | 产品功能 | 单价 | 库存状态 | 购物车 |
|---|---|---|---|---|---|---|---|
| SSC-001347 | 微通道连续流智能电合成系统(适用常压) | SSC-ECRS2000 | 实现主要用于光电催化CO2还原反应全自动在线检测系统分析,光电催化、N2催化还原,电催化分析、燃料电池、电解水等。 | ||||
SSC-ECRS2000微通道连续流智能电合成系统主要用于电催化反应和光电催化剂的性能评价,可以实现连续流和循环连续流实验,配置反应液体控温系统,实现主要用于光电催化CO2还原反应全自动在线检测系统分析,光电催化、N2催化还原,电催化分析、燃料电池、电解水等。
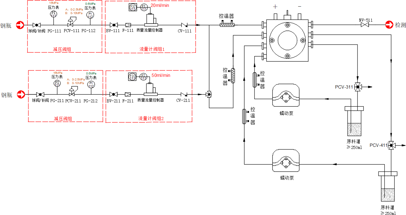
SSC-ECRS2000微通道连续流智能电合成系统将气路液路系统、光电催化反应池、在线检测设备等进行智能化、微型化、模块化设计并集成为一套装置,通过两路气路和两路液路的不同组合实现电催化分析,并采用在线检测体系对反应产物进行定性定量分析。可以适配市面上多数相关的电解池,也可以根据实验需求定制修改各种电催化池。
![]() |
![]() |
● 将光源、电化学工作站、电催化反应池、管路切换和气相色谱模块化集成化系统化;
● PLC控制系统集成气路、液路控制、温度控制、压力控制、阀体切换、流路显示等;
● 主要用于半导体材料的光电催化流动相CO2还原反应活性评价等;
● 用于半导体材料的光电催化流动相H2O分解产氢、产氧活性评价、N2还原、电催化等;
● 微量反应系统,极低的催化剂用量;
● 导电电极根据需要可表面镀金、钯或铂,导电性能极佳,耐化学腐蚀;
● 标配光电反应池,可实现两室三电极体系或三室三电极体系,采用纯钛材质,耐压抗腐蚀
● 可适用于气-固-液三相界面的催化反应体系,也可适用于阴阳极液流循环反应系统;
● 测试范围广,CO2、CO、CH4、甲醇、氢气、氧气、烃类等微量气体。
|
参数 |
SSC-ECRS2000微通道连续流智能电合成系统 |
|
应用 |
连续流动、循环流动体系、两电极、三电极的电催化、光电催化等 |
|
控制系统 |
10英寸触摸显示屏,PLC控制系统,实时显示流路和工作状态,可根据实验需求升级 |
|
气路系统 |
2路,可以实现两路配气,含减压稳压阀,数字质量流量控制器20ml/min(可选配流量),可以自由选择各种气体,内置标定 |
|
液路系统 |
2路,可以实现阴阳极同时通液体,采用蠕动泵实现液路管路的流动 |
|
温度控制 |
内置液体换热器,选配控温水机可实现-10℃~80℃控制 |
|
接头 |
采用3mm、4mm标准接头 |
|
反应池,选配
|
1.SSC-PEFC20光电流动反应池,双室钛合金反应池,工作电极面积:≤20mm×20mm,选配浸入式光电反应池,可以实现内部光照 2.电催化流动池,可以根据需求定制蛇形微流道,电极,池体材质可以选择石墨、不锈钢、钛合金、镀金铜、PEEK、PTFE等 |
|
耐压 |
<150psi,数字压力表 |
|
样品室 |
一体化样品室,内置数控自动调节平台,位移<100mm,软件控制 |
|
内置 |
阴极、阳极电解液罐,稳流池、液流换热器等 |
|
配置 |
说明 |
|
|
必选 |
主机 |
SSC-ECRS2000微通道连续流智能电合成系统 |
|
选配 |
气相色谱 |
SSC-GC60,GC70用于气体产物的测试分析 |
|
光源 |
SSC-PCX300-K25氙灯、SSC-LED300W LED光源、SSC-XS500-S21 |
|
|
电化学工作站 |
CS310M、CHI660F、CHI760F |
|
|
电化学池 |
光电反应池、电化学反应池、燃料电池、接受各种池体订制 |
|
|
选配件 |
滤光片、光功率计、光辐照计、标准电池、导光光纤等 |
|
