微通道连续流智能电合成系统(高压5MPa),可以满足多种电催化的高低压力的实验,可以实现双室,气气、气液、液液等多种配置的电催化实验,可以匹配多种电化学池,实现不同压力、温度、流速、通道下的电化学实验,可根据需求升级为工业化电合成系统。
| 展开 | 产品编号 | 产品名称 | 产品型号 | 产品功能 | 单价 | 库存状态 | 购物车 |
|---|---|---|---|---|---|---|---|
| SSC-001329 | 微通道连续流智能电合成系统(适用高压) | SSC-ECRS3000 | SSC-ECRS3000微通道连续流智能电合成系统(高压5MPa),可以满足多种电催化的高低压力的实验,可以实现双室,气气、气液、液液等多种配置的电催化实验,可以匹配多种电化学池,实现不同压力、温度、流速、通道下的电化学实验,可根据需求升级为工业化电合成系统。 | ||||
SSC-ECRS3000微通道连续流智能电合成系统(高压5MPa),可以满足多种电催化的高低压力的实验,可以实现双室,气气、气液、液液等多种配置的电催化实验,可以匹配多种电化学池,实现不同压力、温度、流速、通道下的电化学实验,可根据需求升级为工业化电合成系统。
SSC-ECRS3000微通道连续流智能电合成系统(高压5MPa),将气路液路系统、电合成反应池、在线监测、压力控制、温度控制等,进行智能化、微型化、模块化设计,集成为一套智能电合成系统,通过两路气路和两路液路的不同组合实现电合成催化,并采用在线检测体系对反应产物进行定性定量分析。
![]() |
![]() |
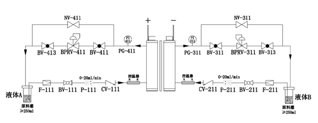
SSC-ECRS3000微通道连续流智能电合成系统(≤5MPa高压系统PID图,2气2液)
![]() |
![]() |
≤5MPa高压系统PID图,1液1液的连续流电催化
![]() |
![]() |
≤5MPa高压系统PID图,1气1气的连续流电催化
![]() |
![]() |
≤5MPa高压系统PID图,1气1液的连续流电催化
|
参数 |
|
|
应用 |
连续流动、两、三电极的智能电合成、光电催化等 |
|
控制系统 |
10英寸触摸显示屏,PLC控制系统,实时显示流路和工作状态,可根据实验需求升级,实现整套系统的智能自动运行 |
|
气路系统 |
2路,可以实现两路配气,含减压稳压阀,数字质量流量控制器50ml/min,100ml/min(可选配其他流量),可以自由选择各种气体,内置标定 |
|
液路系统 |
2路,可以实现阴阳极同时通液体,采用高压恒流泵实现液路管路的流动,恒流泵量程10ml/min,20ml/min(可选配其他流量),泵头材质316L,可根据实验需求选择PEEK、PTFE、HC276等 |
|
温度控制 |
内置控温器,实现反应液体或气体的温度控制,选配控温循环水机可实现-10℃~180℃控制 |
|
接头 |
采用3mm卡套接头 |
|
反应池,选配
|
电催化流动池,可以根据需求定制蛇形微流道,电极,池体材质可以选择石墨、不锈钢、钛合金、镀金铜、PEEK、PTFE等 |
|
耐压 |
≤5MPa,数字压力表,指针压力表配合使用,保证系统的稳定和安全 |
|
样品室 |
用于固定流动电解池, |
|
内置 |
阴极、阳极电解液罐,稳流池、液流换热器等 |
|
配置 |
说明 |
|
|
必选 |
主机 |
SSC-ECRS3000微通道连续流智能电合成系统(5MPa) |
|
选配 |
气相色谱 |
SSC-GC60,GC70用于气体产物的测试分析 |
|
光源 |
SSC-PCX300-K25氙灯、SSC-LED300W LED光源、SSC-XS500-S21,S25 |
|
|
电化学工作站 |
CS310M、CHI660F、CHI760F |
|
|
电化学池 |
光电反应池、电化学反应池、燃料电池、接受各种池体订制 |
|
|
选配件 |
滤光片、光功率计、光辐照计、标准电池、导光光纤等 |
|

